CAD怎么绘制角度标注?初学者在使用CAD制图的过程中,都了解基本的制图方法,但对一些有特殊数据要求的制图还是有不明白的地方,下面和大家分享一下CAD角度标注教程

具体绘制方法:
1.CAD绘图制作软件中,在模型空间里通过绘制轴测图来进行角度标注,在绘图区通过按住shift加鼠标右击弹出选项选择对象捕捉设置,如截图所示。

2.点击极轴追踪选项卡,可以看到需要设置的选项。

3.点击启用极轴追踪,在增加角处依次设置45°角、90°角、135°角和180度角。如截图所示。

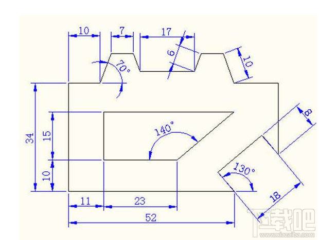
4.点击确定,如绘制下图画出角度标注的设置。

5.在轴测图中角度45°和135°为直角90°,对图形绘制标注角度。

6.通过插件命令JDBZ进行角度标注,如截图所示。

以上就是CAD角度标注教程,希望能够帮助大家,了解更多内容,请关注乐呵呵网!

