相信在生活中有很多用户都会需要用到creo4.0这款软件,它是专门用来编辑设计CAD图形的,包括一些三维物体的设计和一些草绘图形的绘制功能,我们在绘制草绘图的时候,经常会需要在图像中进行一些尺寸的标注,这样能够让看到图像的用户看到各个图形之间的距离,或者图形的大小半径等等,不过还有一些用户不知道要怎么设置这个标注尺寸,那么接下来小编就跟大家分享一下creo4.0标注尺寸的具体操作方法吧,感兴趣的朋友不妨一起来看看这篇方法教程,希望能帮到大家。

1.首先第一步,我们打开软件之后,点击左上角的文件选项,然后在出现的选项中点击新建。

2.点击新建之后,接下来在出现的新建窗口,我们需要选择草绘这个选项,然后输入我们想要设置的文件名称,点击确定按钮。

3.草绘新建完成之后,我们在界面用绘制草绘图形即可,根据自己的需求来进行绘制就可以了。

4.绘制好草绘图形之后,我们点击上方的尺寸图标,在上方的工具栏中可以找到。

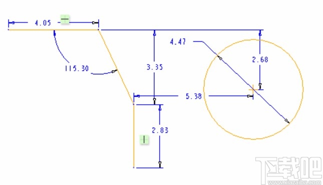
5.点击尺寸之后,我们在绘制的草绘图形中,即可开始进行标注尺寸的操作,先演示竖直标注,点击竖直方向下想要标注的两个端点之后,直接双击竖直尺寸就可以进行编辑标注了。

6.另外还有一种标注尺寸的方式就是标注水平方向的尺寸,点击想要标注的两个端点,然后双击直线尺寸即可进行编辑更改,也可以单击上方或下方进行水平标注尺寸。

7.第三种标注的方式就是斜尺寸标注,我们点击两段直线的端点之后,可以直接双击斜尺寸进行更改,也可以在此直线的垂直方向点击鼠标中键。

以上就是小编今天跟大家分享的在使用creo4.0这款软件的时候标注尺寸的具体操作方法了,有需要的朋友赶紧试一试这个方法吧,希望这篇方法教程能够对大家有所帮助。

